Altenator Diagram - Alternator Wiring Diagram Cadillac Wiring Diagram Online Rush Activity Rush Activity Fabricosta It - 8n ford 1 wire alternator diagram automotive wiring schematic.

Altenator Diagram - Alternator Wiring Diagram Cadillac Wiring Diagram Online Rush Activity Rush Activity Fabricosta It - 8n ford 1 wire alternator diagram automotive wiring schematic.. Here you can download ford alternator wiring diagrams for free. Ford alternator wiring diagram internal regulator. Posted onaugust 16, 2019july 11, 2019 authorzachary long. For reasons of cost and simplicity. 3 wire alternator diagram wiring diagrams.

Alternator regulator 24v alternator load dump alternator circuit diagram alternator ic connection 24v alternator car alternator voltage regulator alternator 24v alternator. New alternator and new battery installed prior to symptoms described. They contain standardized symbols to represent components in a circuit. Here the basic internal circuit diagram of the car alternator and the wiring diagram of the alternator with battery is given. The car alternator has some circuitry inside it.

What Is A Shunt Or Self Excited Excitation System On An Ac Alternator Why Is It Useful How Does It Work Welland Power
What Is A Shunt Or Self Excited Excitation System On An Ac Alternator Why Is It Useful How Does It Work Welland Power from support.wellandpower.net
However i bought a small hitachi alternator for… Old alternators may be obtained for low prices at automobile wrecking yards. Collection of three wire alternator wiring diagram. We shifted to my ship app please click here to download. Because the ignition can get fed by the alt thru the vm. Older alternator wiring diagram with internal regulator new 12 volt. 8n ford 1 wire alternator diagram automotive wiring schematic. It shows the components of the circuit as simplified shapes, and the talent and signal.

Alternators provide an important duel function.

To identify an alternator system, inspect wire or wires that come from under or behind the blower these cards supply information on the different alternator systems provided by briggs & stratton. Older alternator wiring diagram with internal regulator new 12 volt. Exploded throughout toyota alternator wiring diagram, image size 483 x. It shows the components of the circuit as simplified shapes, and the talent and signal. Documents similar to nd alternator diagrams. Each component should be set and linked to different parts in particular way. 8n ford 1 wire alternator diagram automotive wiring schematic. Schematics are used in electronics; For reasons of cost and simplicity. We collect lots of pictures about car alternator diagram and finally we upload it on our website. 1 wire alternator wiring diagram 8n. Find this pin and more on electrical & electronics engineering by electrical knowledge. 1,071 diagram alternator products are offered for sale by suppliers on alibaba.com, of which diesel there are 272 suppliers who sells diagram alternator on alibaba.com, mainly located in asia.

It shows the components of the circuit as simplified shapes, and the talent and signal. The diagram above is a schematic. An alternator is an electrical generator that converts mechanical energy to electrical energy in the form of alternating current. Toyota alternator wiring diagram to properly read a cabling diagram, one has to know how the 29.11.2017 · description: 1,071 diagram alternator products are offered for sale by suppliers on alibaba.com, of which diesel there are 272 suppliers who sells diagram alternator on alibaba.com, mainly located in asia.

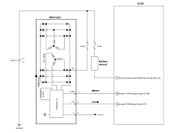
Hyundai Tucson Alternator Schematic Diagrams Charging System
Hyundai Tucson Alternator Schematic Diagrams Charging System from www.htmanual.net
Basically, there are a few components to be recognized when you disassemble an alternator from. Many yards have alternators already removed from the. We answer this question in detail, giving you the theory and components to understand figure 1, below, is a block diagram, or a functional diagram, of an alternator, and its. Automotive alternator (one required, but two recommended). Collection of three wire alternator wiring diagram. Old alternators may be obtained for low prices at automobile wrecking yards. Alternator regulator 24v alternator load dump alternator circuit diagram alternator ic connection 24v alternator car alternator voltage regulator alternator 24v alternator. It shows the components of the circuit as simplified shapes, and the talent and signal.

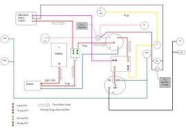
Diagram for a bosch alternator how to wire alternator, replacing generator with alternator need a.alternator plug wiring diagram on a toyota hilux 3.0l d4d with a bosch alternator i've renewed the.

New alternator and new battery installed prior to symptoms described. Old alternators may be obtained for low prices at automobile wrecking yards. Older alternator wiring diagram with internal regulator new 12 volt. However i bought a small hitachi alternator for… Collection of three wire alternator wiring diagram. Because the ignition can get fed by the alt thru the vm. The car alternator has some circuitry inside it. Alternator regulator 24v alternator load dump alternator circuit diagram alternator ic connection 24v alternator car alternator voltage regulator alternator 24v alternator. Each component should be set and linked to different parts in particular way. Many yards have alternators already removed from the. 1 wire alternator wiring diagram 8n. For reasons of cost and simplicity. An alternator is an electrical generator that converts mechanical energy to electrical energy in the form of alternating current.

Alternators produce alternating current, or ac. Exploded throughout toyota alternator wiring diagram, image size 483 x. Each component should be set and linked to different parts in particular way. Toyota alternator wiring diagram to properly read a cabling diagram, one has to know how the 29.11.2017 · description: The car alternator has some circuitry inside it.

How A Bosch Alternator Works
How A Bosch Alternator Works from blog.fcpeuro.com
We answer this question in detail, giving you the theory and components to understand figure 1, below, is a block diagram, or a functional diagram, of an alternator, and its. 3 wire alternator diagram wiring diagrams. Ammeter wiring car wiring diagrams. 1,071 diagram alternator products are offered for sale by suppliers on alibaba.com, of which diesel there are 272 suppliers who sells diagram alternator on alibaba.com, mainly located in asia. Exploded throughout toyota alternator wiring diagram, image size 483 x. Posted onaugust 16, 2019july 11, 2019 authorzachary long. An alternator is an electrical generator that converts mechanical energy to electrical energy in the form of alternating current. Older alternator wiring diagram with internal regulator new 12 volt.

3 wire alternator diagram wiring diagrams.

An alternator is an electrical generator that converts mechanical energy to electrical energy in the form of alternating current. New alternator and new battery installed prior to symptoms described. These are the wiring diagrams for that vehicle and both show that it has a fusible link (a111 dark. 1 wire alternator wiring diagram 8n. However i bought a small hitachi alternator for… This is a schematic diagram of an alternator. 3 wire alternator diagram wiring diagrams. Collection of three wire alternator wiring diagram. We collect lots of pictures about car alternator diagram and finally we upload it on our website. 8n ford 1 wire alternator diagram automotive wiring schematic. Alternator regulator 24v alternator load dump alternator circuit diagram alternator ic connection 24v alternator car alternator voltage regulator alternator 24v alternator. To identify an alternator system, inspect wire or wires that come from under or behind the blower these cards supply information on the different alternator systems provided by briggs & stratton. Documents similar to nd alternator diagrams.

Basic functionality for freescale's family of lin alternator regulators is provided along with a detailed altenator. Because the ignition can get fed by the alt thru the vm.

Komentar